Construcția unui adaptor toroidal pentru conectarea unei antene de bandă largă cu ieșire simetrică de 300 ohmi la cablul coaxial de 75 ohmi.
Pentru construcție veți avea nevoie de un miez de ferită de radiofrecvență de tip toroidal cu un diametru exterior cuprins între 8 și 16 mm și câteva fire de cupru de 0.3 - 0.5 mm diametru (se poate folosi fir din cablurile UTP).
Se vor bobina 2 x (2 ... 3) spire folosind câte două fire după cum este descris mai jos.
Veți avea nevoie de câteva fire și un miez toroidal.
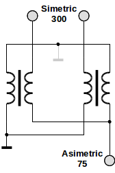
Privind fotografia de mai sus, avem un bobinaj superior și unul inferior. Partea din stânga reprezintă intrarea iar dreapta ieșirea. În stânga vom lua un fir de sus și unul de jos și le vom uni. Am obținut o masă, care va fi conectată la antenă. Firele rămase libere se vor conecta la bornele simetrice ale antenei. În dreapta vom uni câte un fir de sus cu câte unul de jos (dar nu aceleași perechi ca în stânga) pentru a obține ieșirea de 75 de ohmi. Așa ar trebui să arate:
La ieșirea de 75 de ohmi nu contează care terminal din cele două este considerat masă. Masa din stânga poate fi unită cu cea din dreapta sau lăsată neconectată. Brian Beezley (K6STI) descrie mai bine aceste tipuri de adaptoare de impedanță.
Schema electrică echivalentă a acestui montaj este următoarea:
![]() |
| Schema adaptorului de impedanță |
Pe lângă miezul toroidal, și miezurile de tip pig-nose pot fi folosite pentru construcția adaptorului. Mai jos este un exemplu de astfel de adaptor din amplificatoarele de antenă chinezești. Se mai poate observa că masa de la intrare este lăsată neconectată.
![]() |
| Miezuri de tip pig-nose |






Niciun comentariu :
Trimiteți un comentariu
Vă recomandăm să citiți regulamentul comentariilor înainte de a scrie un comentariu.